Guide Lifter with Spring Hole standard guide lifter for metal stamping die transfer system.
Model: 25GLSZ
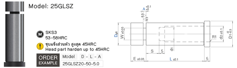
| Model | D g6 | L | A | E | W | d1 | d2 | S | D1 | |||||||||||
| 25GLSZ | 13 | -0.006 -0.017 |
30 | 35 | 40 | 45 | 50 | 55 | 60 | 2.0 2.5 3.6 | 7 | 7 | 6.5 | 8 | 10 | 16 | ||||
| 16 | 30 | 35 | 40 | 45 | 50 | 55 | 60 | 2.0 2.5 4.0 | 12 | 8 | 10.5 | 11 | 10 | 19 | ||||||
| 20 | -0.007 -0.020 |
40 | 45 | 50 | 55 | 60 | 65 | 70 | 3.6 4.0 5.0 | 10 | 13.5 | 14 | 12 | 23 | ||||||
| 25 | 40 | 45 | 50 | 55 | 60 | 65 | 70 | 75 | 80 | 3.6 4.0 5.0 | 11 | 18.5 | 19 | 15 | 28 | |||||
| 32 | -0.009 -0.025 |
40 | 45 | 50 | 55 | 60 | 65 | 70 | 75 | 80 | 5.0 6.0 7.0 | 17 | 13 | 25.5 | 26 | 18 | 35 | |||
For quotations, let us know the product code and quantity. We will surely get back to you.
Tax ID 0115546006764
969 Moo 5 Praksa Rd., Praksa Mai