เออรี่รีเทิร์นยูนิต Early Return Units for Ejector Plate ชิ้นส่วนมาตรฐาน สำหรับแม่พิมพ์ฉีดพลาสติก
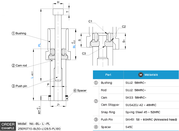
Model: 25ERST
| Model | No. | Length of Bush | Length of Rod | Length of Pin | P | H | T | J1 | RT | S | S1 | C1 | C2 | C3 |
| BL 1mm increments |
L 0.5mm increments |
PL 0.01mm increments |
||||||||||||
| 25ERST | 6 | 25 ~ 60 | 50 ~ 125 | 50 ~ 200 | 6 | 10 | 6 | 18.8 | 4 | 10.5 | 12 | 1.5 | 1.5 | 1 |
| 10 | 35 ~ 100 | 60 ~ 160 | 50 ~ 300 | 10 | 15 | 8 | 24.5 | 12.5 | 2 | 2 | 1 | |||
| 16 | 40 ~ 100 | 60 ~ 160 | 50 ~ 350 | 16 | 21 | 8 | 35.5 | 8 | 16.5 | 19 | 2.5 | 2.5 | 1.5 |
เมื่อคุณได้พบสินค้าที่ต้องการแล้ว แจ้งโค้ดสินค้าพร้อมจำนวนที่คุณต้องการมาเราจะติดต่อกลับอย่างแน่นอน
เลขผู้เสียภาษี 0115546006764
(สำนักงานใหญ่)