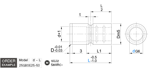
ลีดเดอร์บุช แบบตรง Leader Bushings (Straight Type) สำหรับแม่พิมพ์ฉีดพลาสติก
Model: 25GBSE
| Model | d G6 | L | t | D m5 | ||||||||||||||||
| 25GBSE | 8 | +0.014 +0.005  | 
		15 | 20 | 25 | 6 | 12 | +0.015 +0.007  | 
	||||||||||||
| 10 | 15 | 20 | 25 | 30 | 35 | 40 | 14 | |||||||||||||
| 12 | +0.017 +0.006  | 
		15 | 20 | 25 | 30 | 35 | 40 | 18 | ||||||||||||
| 13 | 15 | 20 | 25 | 30 | 35 | 40 | 20 | +0.017 +0.008  | 
	||||||||||||
| 16 | 15 | 20 | 25 | 30 | 35 | 40 | 45 | 50 | 25 | |||||||||||
| 20 | +0.020 +0.007  | 
		15 | 20 | 25 | 30 | 35 | 40 | 45 | 50 | 60 | 70 | 80 | 30 | |||||||
| 25 | 20 | 25 | 30 | 35 | 40 | 45 | 50 | 60 | 70 | 80 | 90 | 100 | 8 | 35 | +0.020 +0009  | 
	|||||
| 28 | 20 | 25 | 30 | 35 | 40 | 45 | 50 | 60 | 70 | 80 | 90 | 100 | 40 | |||||||
| 30 | 20 | 25 | 30 | 35 | 40 | 45 | 50 | 60 | 70 | 80 | 90 | 100 | 42 | |||||||
| 32 | +0.025 +0.009  | 
		20 | 25 | 30 | 35 | 40 | 45 | 50 | 60 | 70 | 80 | 90 | 100 | 45 | ||||||
| 35 | 25 | 30 | 35 | 40 | 45 | 50 | 60 | 70 | 80 | 90 | 100 | 48 | ||||||||
| 36 | 25 | 30 | 35 | 40 | 45 | 50 | 60 | 70 | 80 | 90 | 100 | 50 | +0.024 +0.011  | 
	|||||||
| 40 | 25 | 30 | 35 | 40 | 45 | 50 | 60 | 70 | 80 | 90 | 100 | 110 | 120 | 55 | ||||||
| 50 | 30 | 35 | 40 | 45 | 50 | 60 | 70 | 80 | 90 | 100 | 110 | 120 | 70 | |||||||
| 60 | +0.029 +0.010  | 
		50 | 60 | 70 | 80 | 90 | 100 | 110 | 120 | 80 | ||||||||||
เมื่อคุณได้พบสินค้าที่ต้องการแล้ว แจ้งโค้ดสินค้าพร้อมจำนวนที่คุณต้องการมาเราจะติดต่อกลับอย่างแน่นอน
เลขผู้เสียภาษี 0115546006764
(สำนักงานใหญ่)