ไกด์รีเทนเนอร์ Square Guide Retainer Z17 ชิ้นส่วนแม่พิมพ์ฉีดพลาสติก
Model: 21HAS-Z17
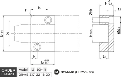
| Model | l2 | b2 | l1 | r | t3 | t2 | t1 | d2 | d1 | l4 | l3 | b3 | b1 |
| 21HAS-Z17 | 22 | 16 | 20 | 6 | 12 | 6.2 | 20 | 10.3 | 6.3 | 7 | 15 | 26 | 40 |
| 27 | 20 | 25 | 6 | 14 | 6.2 | 22 | 10.3 | 6.3 | 7 | 19 | 31 | 45 | |
| 36 | 25 | 32 | 8 | 15 | 6.2 | 25 | 10.3 | 6.3 | 9 | 27 | 35 | 50 | |
| 46 | 32 | 40 | 8 | 20 | 9 | 32 | 15 | 9 | 11 | 35 | 45 | 63 | |
| 56 | 40 | 50 | 10 | 23 | 11 | 36 | 18 | 11 | 15 | 40 | 60 | 85 | |
| 66 | 50 | 56 | 10 | 25 | 13 | 40 | 20 | 14 | 18 | 48 | 74 | 100 |
เมื่อคุณได้พบสินค้าที่ต้องการแล้ว แจ้งโค้ดสินค้าพร้อมจำนวนที่คุณต้องการมาเราจะติดต่อกลับอย่างแน่นอน
เลขผู้เสียภาษี 0115546006764
(สำนักงานใหญ่)