Locating Block Set แม่พิมพ์ฉีดพลาสติก
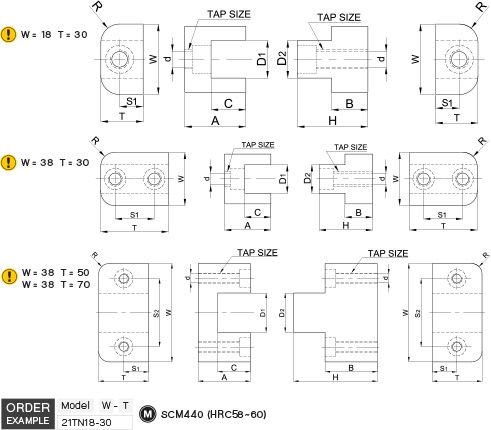
Model: 21TN
| Model | W | T | A | B | C | D1 | D2 | H | R | S1 | S2 | d | Installation Bolt |
M Tap Hole |
| 21TN | 18 | 30 | 26 | 15.5 | 14.8 | 16 | 16 | 30 | 9 | - | 10 | 7 | M6 | M8 |
| 38 | 30 | 26 | 15.5 | 14.8 | 16 | 16 | 30 | 9 | - | 22 | 7 | M6 | M8 | |
| 50 | 29.8 | 29.8 | 20 | 20 | 20 | 48.8 | 9 | 35 | 19 | 7 | M6 | M8 | ||
| 75 | 39.8 | 39.8 | 25 | 20 | 20 | 6.8 | 9 | 52 | 19 | 8.6 | M8 | M10 |
เมื่อคุณได้พบสินค้าที่ต้องการแล้ว แจ้งโค้ดสินค้าพร้อมจำนวนที่คุณต้องการมาเราจะติดต่อกลับอย่างแน่นอน
เลขผู้เสียภาษี 0115546006764
(สำนักงานใหญ่)