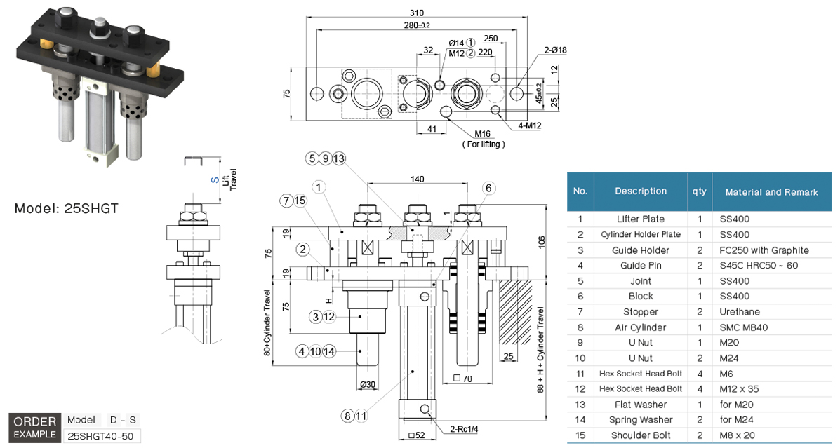
ลิฟเตอร์ยูนิต (H-Type Lifter) ขนาดค่า D 80มม. สำหรับระบบแม่พิมพ์ปั๊มโลหะ
Model: 25SHGT80
| Model | Cylinder Inner D |
Stroke S |
H | Cylinder Travel |
| 25SHGT | 80 | 10 | 40 | 50 |
| 20 | 30 | |||
| 30 | 20 | |||
| 40 | 10 | |||
| 50 | 0 | |||
| 60 | 40 | 100 | ||
| 70 | 30 | |||
| 80 | 20 | |||
| 90 | 10 | |||
| 100 | 0 | |||
| 110 | 40 | 150 | ||
| 120 | 30 | |||
| 130 | 20 | |||
| 140 | 10 | |||
| 150 | 0 | |||
| 160 | 40 | 200 | ||
| 170 | 30 | |||
| 180 | 20 | |||
| 190 | 10 | |||
| 200 | 0 | |||
| 210 | 40 | 250 | ||
| 220 | 30 | |||
| 230 | 20 | |||
| 240 | 10 | |||
| 250 | 0 |
เมื่อคุณได้พบสินค้าที่ต้องการแล้ว แจ้งโค้ดสินค้าพร้อมจำนวนที่คุณต้องการมาเราจะติดต่อกลับอย่างแน่นอน
เลขผู้เสียภาษี 0115546006764
(สำนักงานใหญ่)