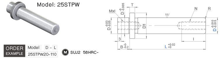
เสาไกด์สตริปเปอร์ มาตรฐานแม่พิมพ์ปั๊มโลหะ สตริปเปอร์ไกด์พิน มีรูต๊าปเกลียวหัวท้าย รุ่นถอดได้
การปรับแต่งเสริม ความยาว สามารถดูในแคตตาล็อค หรือ ติดต่อฝ่ายขาย
Material: SUJ2 58HRC~
Model: 25STPW
| Model | D | L 5mm increment |
R | T | B | D1 | l | N | M x l |
| 25STPW | 8 | 25 – 70 | 1.0 | 3 | 8 | 12 | 8 – 13 | M4 P0.7 | M5x12 P0.8 |
| 10 | 10 | 14 | |||||||
| 13 | 30 – 75 | 1.5 | 5 | 17 | 10 – 15 | M5 P0.8 | M6x15 P1.0 | ||
| 16 | 40 – 100 | 23 | M6 P1.0 | ||||||
| 20 | 60 – 120 | 2.0 | 13 | 27 | 16 – 21 | M8 P1.25 | M8x20 P1.25 | ||
| 25 | 16 | 32 |
เมื่อคุณได้พบสินค้าที่ต้องการแล้ว แจ้งโค้ดสินค้าพร้อมจำนวนที่คุณต้องการมาเราจะติดต่อกลับอย่างแน่นอน
เลขผู้เสียภาษี 0115546006764
(สำนักงานใหญ่)