Compact Slide Block Sets

Compact Slide Block Set, Z50 component for injection mold positioning.
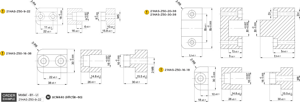
Model: 21HAS-Z50

more
  • Model 21HAS-Z50
  • Manufacturer Code HAS-Z50/Z50
Brand
OIL FREE
OIL FREE
  • Type

    Straight Block

  • Lubrication

    Oil Groove

Swipe
Compact Slide Block Sets drawing
Model B1 L1 B2 B3 t1 t2 t3 t4 D1 D2
21HAS-Z50 20 38 50 35 29.8 20 48.8 29.8 6.5 M8
30 38 75 52 39.8 25 63.8 39.8 8.3 M10
Swipe