Cast-In Lifting Bolts for metal stamping die transfer system.
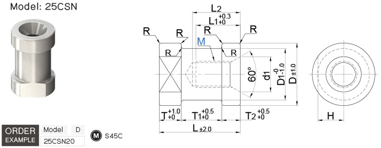
Model: 25CSN
| Model | M | Thread MxP |
D | D1 | d1 | L1 | L | T | T1 | T2 | H | R | Max Allowable Load (2 Lifting Bolts) | |
| N | kgf | |||||||||||||
| 25CSN | 12 | M12x1.75 | 38 | 28 | 18 | 30 | 55 | 10 | 30 | 15 | 14 | 2 | 3730 | 380 |
| 16 | M16x2.0 | 46 | 36 | 22 | 35 | 55 | 10 | 30 | 15 | 18 | 2 | 6620 | 675 | |
| 20 | M20x2.5 | 48 | 38 | 28 | 45 | 70 | 15 | 35 | 20 | 19 | 2 | 8830 | 900 | |
| 24 | M24x3.0 | 55 | 45 | 36 | 55 | 85 | 20 | 45 | 20 | 22.5 | 2 | 13340 | 1360 | |
| 30 | M30x3.5 | 65 | 52 | 42 | 65 | 95 | 25 | 50 | 20 | 26 | 3 | 19810 | 2020 | |
| 36 | M36x4.0 | 85 | 70 | 48 | 75 | 110 | 30 | 55 | 25 | 35 | 3 | 58450 | 5960 | |
For quotations, let us know the product code and quantity. We will surely get back to you.
Tax ID 0115546006764
969 Moo 5 Praksa Rd., Praksa Mai