แม่เหล็กถาวรเส้นแรงถี่ เอียงองศา SINE สามารถตั้งองศา 0º ~ 60º ใช้เจียรมุมองศาบนเครื่องเจียร
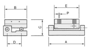
| Order Code | A | B | C | D | E | Pole Pitch | Angle | Weight (kg) |
| 03HMT-M1018S | 225 | 102 | 87 | 75 | 175 | 2 (1+1) |
0º ~ 60º | 11.5 |
| 03HMT-M1515S | 200 | 152 | 87 | 100 | 150 | 14.8 | ||
| 03HMT-M1530S | 350 | 152 | 87 | 100 | 300 | 28.0 |
เมื่อคุณได้พบสินค้าที่ต้องการแล้ว แจ้งโค้ดสินค้าพร้อมจำนวนที่คุณต้องการมาเราจะติดต่อกลับอย่างแน่นอน
เลขผู้เสียภาษี 0115546006764
(สำนักงานใหญ่)