บอลลำเลียง ไนลอน ทรงจานบิน

Saucer Nylon Ball Roller

ลูกบอลเปลี่ยนทิศ บอลลำเลียง ลูกบอลวัสดุ ไนลอน ทรงจานบิน รุ่น 25SNBRS ใช้สำหรับฝังเพื่อทำรางลำเลียง

ลูกบอลไนลอน มีความนุ่ม ป้องกันชิ้นงานไม่ให้เป็นรอย

more
  • Model 25SNBRS
  • Manufacturer Code 25SNBRS16/25SNBRS25/25SNBRS30
ยี่ห้อ
SRT
SRT
  • การติดตั้ง

    ยึดฐาน

  • ลูกบอล

    ไนลอน

  • การใช้งาน

    Light Duty

  • ลักษณะ

    จานบิน

เลื่อนได้
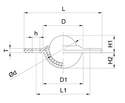
บอลลำเลียง ไนลอน ทรงจานบิน drawing
Order Code Ball
d
D D1 L L1 H1 H2 T h
(for screw)
Load Capacity Max Load Capacity Net
Weight
25SNBRS16 15.875mm 5/8” 25 24.5 45 31 10 9.5 2.5 M4 5kg 8kg 35g
25SNBRS25 25.4mm 1” 40 44 73 55 15 15 3 M5 12kg 18kg 85g
25SNBRS30 30mm 1-3/16” 38.5 45 74.5 60 15 20 3 M5 17kg 20kg 120g
เลื่อนได้