Soft Jaws set for 02SK type 3-Jaw Chuck (3-Jaw Powerful Scroll Chuck).
3pcs/set
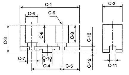
| Order Code | C-1 | C-2 | C-3 | C-4 | C-5 | C-6 | C-7 | C-8 | C-9 | C-10 | C-11 | C-12 | C-13 | 3Jaw Weight (kg) | 
| 02SKC09 | 110 | 37 | 48 | 53.98 | 28 | 19 | 13 | 34 | M12 | 19.03 | 7.94 | 3 | 3.5 | 3.7 | 
For quotations, let us know the product code and quantity. We will surely get back to you.
Tax ID 0115546006764
969 Moo 5 Praksa Rd., Praksa Mai